
The L-shaped thin-walled ring is a critical connecting component in aircraft engines.
With a diameter exceeding 800 mm and a minimum wall thickness of 3 mm, it is a typical large, thin-walled ring component.
It is made of Inconel 718 nickel-based high-temperature alloy, which exhibits excellent high-temperature strength and corrosion resistance at temperatures ranging from 650 to 1000°C, but has extremely poor machinability.
In the original process, the part suffered from machining deformation due to insufficient rigidity, which had a long-term negative impact on product quality, resulting in a yield rate of less than 50%.
In this paper, by analyzing the structural characteristics of the part, identifying defects in the original process, and investigating the factors influencing deformation, we improved the machining sequence and support strategies, thereby significantly reducing machining deformation.
Part Geometry and Technical Specifications
The geometry of the large-diameter, L-shaped, thin-walled ring is shown in Figure 1.
The outer diameter is (838.00 ± 0.15) mm, the minimum inner diameter is φ(781.30 ± 0.15) mm, the total height is 52.07 mm, and the wall thickness is (1.27 ± 0.10) mm.
The required surface roughness value is Ra = 1.6 μm.

Challenges in Material Machining
Inconel 718, a nickel-based high-temperature alloy, has a face-centered cubic crystal structure, a density of 8.19 g/cm³, and a melting point of 1260–1320°C.
The following challenges arise during machining:
1) Cutting forces are high, generally 1.5 to 2.0 times those encountered when machining steel.
2) Cutting temperatures are high, and thermal conductivity is low; under identical conditions, cutting temperatures are approximately 1.5–2.0 times higher than those for 45 steel.
3) In most cases, the cutting deformation coefficient exceeds 1.
This significantly increases the sliding friction length on the rake face during cutting, accelerating tool wear.
Furthermore, mechanical wear, adhesive wear, diffusion wear, and oxidation wear are all severe, resulting in a marked reduction in tool life.
4) Work hardening is severe; the hardness of the machined surface can reach 1.5 to 2.0 times that of the base material.
The chips are hard and tough, making them difficult to break, which leads to difficulties in chip evacuation during the cutting process.
5) The short contact length between the cutting tool and the chip increases the cutting force per unit area of contact, making the tool prone to chipping.
Original Process Flow
The blank is a special-shaped forging, with structural dimensions as shown in Figure 2.

(1) 10-Step Rough Turning of the Bore
As shown in Figure 3, the workpiece is clamped using a clamping plate and stop blocks.
The two end faces and the bore of the blank are turned in two separate operations to ensure that the flatness of the reference surface is within 0.1 mm.
A single-sided allowance of 3.0 mm is left on the bore, and a 6.5 mm process shoulder is turned.

(2) Rough Turning of the Outer Diameter in 15 Operations
As shown in Figure 4, rough-turn the outer diameter to remove the excess material from the blank, leaving a 1.5 mm allowance on each side.

(3) 20-step Precision Turning of the Large End Face
As shown in Figure 5, machine the large end face and outer diameter to the dimensions specified in the drawing, ensuring a flatness of 0.05 mm on the end face.

(4) Precision Turning of Inner and Outer Diameters in 25 Operations
The clamping and auxiliary support devices are shown in Figure 6.
To minimize deformation, a specialized fixture is used for clamping.
The fixture features clamping plates on both the inner and outer sides, enabling simultaneous clamping of the part’s inner and outer end faces.
This ensures that the part can be machined in a single setup, thereby avoiding the loss of positioning accuracy that would result from re-clamping.
Additionally, a low-melting-point alloy is used to reinforce the outer diameter during inner diameter turning. The machining steps are as follows.

1) Use the inner diameter mounting edge as clamping surface 1, and precision-turn the outer diameter.
2) Clamp the pressure plate at clamping surface 2.
3) Place a special retaining ring on the part’s outer diameter and fill it with a low-melting-point alloy to provide auxiliary support and enhance the outer diameter’s rigidity.
The alloy used here is primarily composed of lead, tin, and bismuth.
It has a low coefficient of thermal expansion, a melting point of only 70°C, and minimal thermal effects on part deformation during the thermal filling, machining, and melting separation processes.
4) Loosen the clamping plate at clamping surface 1 and machine the inner diameter to the finished dimensions.
(5) Subsequent Processes
Deburring, cleaning, fluorescent inspection, final inspection, and packaging.
Existing Issues
After producing 10 prototype parts, the following issues were identified with the original process.
(1) Failure of Auxiliary Supports
The low-melting-point alloy shrinks upon cooling, creating gaps; the clearance at the point where it contacts the outer circumference of the part reaches 0.1–0.2 mm.
During precision turning of the inner bore, a 0.2–0.4 mm tool clearance developed at the upper end of the part, and this clearance was uneven.
This made it impossible to ensure that the wall thickness of 1.27 mm remained within the acceptable range, resulting in a thicker upper end and a thinner lower end.
Even when the low-melting-point alloy was poured in multiple stages, the local gaps could not be eliminated.
(2) Tool Chatter Affects Surface Quality
During internal bore machining, tool chatter occurs due to insufficient rigidity.
The depth of chatter marks on the internal bore surface ranges from 0.01 to 0.03 mm, with a surface roughness value of Ra = 3.2–6.3 μm.
(3) Chip Entanglement and Surface Scratching
When machining with standard cemented carbide tools, chips form continuous bands, with an entanglement rate of 80%, resulting in scratches 0.05–0.10 mm deep on the machined surface.
Redesign of the Auxiliary Support Scheme
To address the issue of support failure caused by the shrinkage of the original low-melting-point alloy external support after cooling, the external support scheme was abandoned, and an aluminum internal support ring was designed to enhance the part’s rigidity .
-
Design of the Internal Support Ring
The specific design approach and parameters are as follows.
The inner support ring is made of 6061 aluminum alloy, with a density of 2.7 g/cm³, a modulus of elasticity of approximately 69 GPa, and a hardness of 95–110 HBW.
This material provides sufficient support rigidity without damaging the part, thereby resolving the issue of radial deformation during the machining of thin-walled components.
Compared to the original external support material, it is better suited to the low-rigidity characteristics of thin-walled rings.
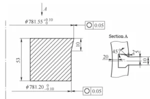
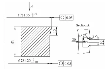
The total height of the support ring’s outer circumference is 53 mm, with an upper diameter of φ781.55mmand a lower diameter of φ781.20 mm.
This creates a slight interference fit with the part’s inner bore design dimension of φ(781.30 ± 0.15) mm, ensuring the required fitting accuracy after assembly.
As shown in Figure 7, the support ring features eight evenly spaced dovetail-shaped slots around its circumference, each 10 mm wide.
The elastic deformation of these slots allows the support ring to adapt to dimensional deviations in the part’s inner bore after installation, achieving a fitting clearance of ≤0.02 mm and eliminating the clearance defects present in the original external support.
Additionally, the eight evenly spaced slots distribute the support force uniformly around the circumference, preventing new deformation caused by localized stress concentration.

-
Optimization of Machining Sequence and Clamping Process
The machining sequence for Process 25 has been adjusted from “precision turning of the outer diameter first, followed by precision turning of the inner bore” to “precision turning of the inner bore first, followed by precision turning of the outer diameter.”
The clamping setup for Process 25 after the modification is shown in Figure 8. The specific machining steps are as follows.

1) Use clamping surface 1 on the inner diameter as the clamping surface.
Machining all other areas, including the end face, to the finished dimensions, except for the allowance left on the outer diameter.
2) Clamp clamping surface 2, loosen the clamping plate at clamping surface 1, and finish-turn the inner diameter to the finished dimensions.
3) Install an aluminum alloy support ring to support the inner diameter.
4) Finish-turn the outer diameter to the finished dimensions.
After clamping the inner support ring, turn the outer circumference.
Measure the total runout of the turned outer circumference with a dial indicator; it should be ≤0.05 mm, demonstrating a significant improvement in rigidity.
Deformation Patterns in Internal Bore Turning and Program Optimization
Although the support ring resolved the issues with external diameter machining, the process sequence of “finishing the internal bore first, followed by the external diameter” led to tool deflection during the initial internal bore finishing operation, as the external diameter had only a 1.5 mm stock allowance.
To quantify the deformation patterns and optimize the machining program accordingly, the following cutting parameters were fixed: cutting speed vc = 35 m/min, feed rate f = 0.15 mm/r, and depth of cut ap = 0.2 mm.
Repeated experiments were conducted using a multi-factor design of experiments.
By varying three core variables—part wall thickness (2.77–4.27 mm, with 1.5 mm of allowance for the outer diameter and 1.5 mm for the inner bore), turning path, and initial tool tip offset—the deformation patterns were identified.
The parameters and results of the multifactorial experiments are shown in Table 1.
表1
The deformation patterns for turning internal holes are summarized as follows.
(1) Wall Thickness Deformation Pattern: Under fixed cutting parameters, for every 0.5 mm reduction in wall thickness, the depth of cut increases by 0.05 to 0.08 mm; when the wall thickness decreases to 2.77 mm, the depth of cut reaches a maximum of 0.50 mm.
(2) Path-Offset Compensation Patterns: Diagonal feed reduces the depth of cut by over 50% compared to linear feed; when combined with an initial offset of 0.2 mm, wall thickness deviation can be controlled within 0.07 mm.
However, when the initial offset is 0.4 mm, there is no significant reduction in wall thickness deviation. Since this only increases the complexity of program debugging, excessive offset is unnecessary.
Modifies the original turning program based on the above principles as follows.
(1) Path Optimization
Replace the “linear feed” for finishing the inner bore with a “5° small-angle helical feed” to distribute the cutting force and reduce localized impact on the thin wall, thereby minimizing instantaneous deformation.
(2) Offset Compensation Optimization
Preset initial offset values based on wall thickness segments. For wall thicknesses of 2.77–3.27 mm, set an offset of 0.2 mm; for wall thicknesses of 3.27–4.27 mm, set an offset of 0.15 mm.
Adjusts compensation values automatically via program parameters.
Optimization of the Cutting System
Integrates the material properties of the workpiece with the requirements of thin-walled structures.
Optimizes through both tool selection and cutting parameters. Realizes the synergistic effects of “reduced cutting force, reduced vibration, and chip breaking.”
(1) Tool Selection and Improvement
① Finishing Turning Tools: Carbide tools are the mainstream choice for machining nickel-based alloys.
Selects the positive-rake carbide turning insert VCGT160408-1L-9605. Uses a main rake angle of 8° and a clearance angle of 12°.
Achieves 40% higher sharpness than standard carbide tools, reducing cutting resistance and preventing severe friction between the tool and the workpiece.
② Forced Chip Breaking: When paired with a CaptoR high-pressure tool holder (operating pressure 5–10 MPa), the coolant directly impacts the tool tip area, which not only reduces cutting temperature but also forces the chip to break, preventing scratches on the machined surface.
(2) Cutting Parameter Adjustment
Determines optimal parameters from deformation pattern tests as cutting speed vc = 35 m/min, feed rate f = 0.15 mm/r, and depth of cut ap = 0.2 mm.
The design rationale for this parameter combination is as follows:
① Cutting speed vc = 35 m/min: This avoids excessive heat buildup caused by high speeds while ensuring machining efficiency.
② Feed rate f = 0.15 mm/r: A smaller feed rate reduces the cutting force per unit time; combined with helical feeding, this further distributes the load and reduces wall-deformation.
③ Depth of cut ap = 0.2 mm: This controls the depth of a single cut to prevent excessive instantaneous loads from causing tool vibration, resulting in a vibration amplitude of <0.01 mm.
Verification of Optimization Results
Manufactures twenty products using the optimized process for production verification, with the following results:
(1) Dimensional Accuracy
Measures wall thickness using a wall thickness gauge with 0.01 mm accuracy.
Controls wall thickness deviations within 0.03–0.10 mm against a design requirement of ±0.1 mm. Achieves a 100% dimensional pass rate.
(2) Surface Quality
Measures the surface quality of the inner bore using a roughness tester.
Maintains Ra surface roughness at 1.2–1.6 μm, with no obvious tool marks or scratches. The surface quality pass rate was 100%.
(3) Pass Rate
The first-pass yield rate for parts improved from 48% to 95%.
Conclusion
This paper discusses the machining characteristics of L-shaped thin-walled rings.
Addresses issues such as deformation, tool vibration, and difficulty in chip breaking during machining through process optimization and deformation control.
Improves the turning process and auxiliary support, and adjusts cutting parameters to significantly reduce machining deformation.
Derives the following conclusions:
1) The core challenge in machining thin-walled parts made of Inconel 718 nickel-based high-temperature alloy lies in the conflict between the material’s high cutting resistance and the part’s low rigidity.
Reinforcing rigidity through proper support effectively controls deformation.
2) Uses sharp cutting tools and optimized parameters.
Combines CaptoR high-pressure toolholders to resolve tool vibration and chip-breaking challenges in thin-walled parts.
Ensures surface roughness and dimensional accuracy meet aerospace industry standards. Applies the optimized process to the mass production of L-shaped thin-walled rings for engines.
Provides a reference technical solution for machining similar large-diameter (>800 mm) thin-walled high-temperature alloy parts.
FAQ
Impedit egestas aliquet?
Lorem ipsum dolor sit amet, consectetur adipiscing elit. Ut elit tellus, luctus nec ullamcorper mattis, pulvinar dapibus leo.
Sapien class quo temporibus?
Lorem ipsum dolor sit amet, consectetur adipiscing elit. Ut elit tellus, luctus nec ullamcorper mattis, pulvinar dapibus leo.
Elementum voluptate sodales?
Lorem ipsum dolor sit amet, consectetur adipiscing elit. Ut elit tellus, luctus nec ullamcorper mattis, pulvinar dapibus leo.


Inconel 718 Thin-Walled Ring Machining: Deformation Control and CNC Optimization for Aerospace Components

